油圧アクセサリ一覧(製品名をクリックすると詳細へ移動します。)
特長
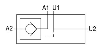
制御弁とシリンダーの間に設置し、制御弁の内部漏れが生じてもシリンダーを長時間保持することができます。
| 品 番 |
サイズ |
最高使用圧力 |
最大流量 |
| AS1602 |
1/4 |
34.3Mpa(350kgf/㎤) |
30ℓ/min |
| AS1604 |
3/8 |
34.3Mpa(350kgf/㎤) |
30ℓ/min |
特長
制御弁とシリンダーの間に設置し、制御弁の内部漏れが生じてもシリンダーの片ポートのみ長時間保持することができます。
| 品 番 |
サイズ |
最高使用圧力 |
最大流量 |
| AS1601 |
1/4 |
34.3Mpa(350kgf/㎤) |
30ℓ/min |
チェックバルブとシリンダを接続するために必要な配管キットです。
| 品 番 |
サイズ |
備 考 |
| AS1611 |
1/4 |
AS1602用配管キット |
| AS1612 |
3/8 |
AS1604用配管キット |
特長
油圧配管の途中に取り付けるタイプのチェックバルブですので、たいへんコンパクトです。
| 品 番 |
サイズ |
最高使用圧力 |
最大流量 |
| AS0571 |
Rc1/4 |
39.2Mpa(400kgf/㎤) |
25ℓ/min |
| AS0572 |
Rc3/8 |
39.2Mpa(400kgf/㎤) |
40ℓ/min |
| AS0573 |
Rc1/2 |
34.3Mpa(350kgf/㎤) |
80ℓ/min |
特長
油圧回路中の油の流量を調整するスロットルバルブとチェックバルブ(逆止弁)を組み合わせたバルブです。
| 品 番 |
サイズ |
最高使用圧力 |
最大流量 |
| AS0531 |
Rc1/4 |
34.3Mpa(350kgf/㎤) |
15ℓ/min |
| AS0532 |
Rc3/8 |
34.3Mpa(350kgf/㎤) |
30ℓ/min |
| AS0533 |
Rc1/2 |
34.3Mpa(350kgf/㎤) |
45ℓ/min |
特長
油圧回路中の油の流量をダイヤルノブにて双方向調整するスロットルバルブ(流量調整弁)です。
| 品 番 |
サイズ |
最高使用圧力 |
最大流量 |
| AS1531 |
Rc1/4 |
34.3Mpa(350kgf/㎤) |
15ℓ/min |
| AS1532 |
Rc3/8 |
34.3Mpa(350kgf/㎤) |
30ℓ/min |
| AS1533 |
Rc1/2 |
34.3Mpa(350kgf/㎤) |
45ℓ/min |
特長
油圧回路中の油の流量をバンジョーボルト上部のスクリューにおいて双方向調整するスロットルバルブです。
| 品 番 |
サイズ |
最高使用圧力 |
最大流量 |
| AS1541 |
G1/4 |
34.3Mpa(350kgf/㎤) |
25ℓ/min |
| AS1542 |
G3/8 |
34.3Mpa(350kgf/㎤) |
35ℓ/min |

特長
バルブについているプッシュボタンが機械的に押されると、バルブの流路が双方向で開きます。
ノーマルクローズタイプです。
| 品 番 |
サイズ |
最高使用圧力 |
最大流量 |
| AS1561 |
G3/8 |
24.5Mpa(250kgf/㎤) |
30ℓ/min |
| AS1562 |
G1/2 |
29.4Mpa(300kgf/㎤) |
60ℓ/min |
特長
流路の開閉に最適なボールバルブです。
ノーマルクローズタイプです。
| 品 番 |
サイズ |
最高使用圧力 |
最大流量 |
| AS0541 |
Rc1/4 |
49Mpa(500kgf/㎤) |
15ℓ/min |
| AS0542 |
Rc3/8 |
49Mpa(500kgf/㎤) |
30ℓ/min |
| AS0543 |
Rc1/2 |
49Mpa(500kgf/㎤) |
60ℓ/min |
特長
流路の開閉に最適な電磁バルブです。DC12Vになります。
| 品 番 |
サイズ |
最高使用圧力 |
最大流量 |
| AS0741 |
G1/4 |
23.5Mpa(240kgf/㎤) |
30ℓ/min |
| AS0742 |
G3/8 |
23.5Mpa(240kgf/㎤) |
45ℓ/min |
| AS0743 |
G1/2 |
24.5Mpa(250kgf/㎤) |
75ℓ/min |
特長
流路の切替に最適なボールバルブです。
| 品 番 |
サイズ |
最高使用圧力 |
最大流量 |
| AS0551 |
Rc1/4 |
37.2Mpa(380kgf/㎤) |
15ℓ/min |
| AS0552 |
Rc3/8 |
37.2Mpa(380kgf/㎤) |
30ℓ/min |
| AS0553 |
Rc1/2 |
31.3Mpa(320kgf/㎤) |
65ℓ/min |
特長
流路の切替に最適な電磁バルブです。
DC12V用になります。
| 品 番 |
サイズ |
最高使用圧力 |
最大流量 |
| AS0751 |
G1/4 |
29.4Mpa(240kgf/㎤) |
25L/min |
| AS0752 |
G3/8 |
29.4Mpa(240kgf/㎤) |
50L/min |
| AS0753 |
G1/2 |
29.4Mpa(250kgf/㎤) |
90L/min |
特長
油圧シリンダーや油圧モニターなどの同調作動を目的としたバルブです。分集流弁は、Pポートを入口、A・Bポートを出口とした場合、分流弁として、A・Bポートを入口、Pポートを出口とした場合、集流弁として作動します。
標準分集流比は「1:1」となっております。
| 品 番 |
Pポートサイズ |
A・Bポートサイズ |
最高使用圧力 |
Pポート基準流量 |
| AS0581 |
Rc3/8 |
Rc3/8 |
24.5Mpa
(250kgf/㎤) |
20ℓ/min |
| AS0582 |
Rc1/2 |
Rc3/8 |
24.5Mpa
(250kgf/㎤) |
40ℓ/min |
| AS0743 |
Rc3/4 |
Rc1/2 |
24.5Mpa
(250kgf/㎤) |
50ℓ/min |
特長
流路の切替に最適なバルブです。
| 品 番 |
サイズ |
最高使用圧力 |
最大流量 |
| AS0591 |
Rc3/8 |
24.5Mpa(250kgf/㎤) |
35ℓ/min |
| AS0592 |
Rc1/2 |
24.5Mpa(250kgf/㎤) |
50ℓ/min |
| AS0593 |
Rc3/4 |
21.6Mpa(220kgf/㎤) |
90ℓ/min |
特長
回路内にて過剰な負荷圧(設定圧以上)が発生した時にPポートの内部パイロットが働き、バルブ内のスプリングを押し上げ、リリーフバルブが開き、負荷圧を逃します。
| 品 番 |
サイズ |
最高使用圧力 |
最大流量 |
| AS1651 |
Rc1/2 |
25.5Mpa(260kgf/㎤) |
80ℓ/min |
| AS1652 |
Rc3/4 |
25.5Mpa(260kgf/㎤) |
80ℓ/min |
特長
Eポートから入力されたオイルが、ダイヤルで調整された流量分だけ優先的にPポートに流れ、余剰分を圧力を保持したままSポートより取り出すことが出来る優先バルブです。
| 品 番 |
サイズ |
最高使用圧力 |
最大入力流量 |
最大調整流量 |
| AS1661 |
G3/8 |
20.5Mpa(210kgf/㎤) |
52ℓ/min |
28ℓ/min |
| AS1662 |
G1/2 |
20.5Mpa(210kgf/㎤) |
85ℓ/min |
50ℓ/min |